Toyota Yaris: Cowl top side panel (ASSY): Sedan
REPLACEMENT

REMOVAL

INSTALLATION
Temporarily install the new parts and measure each part of the new parts in accordance with the body dimension diagram. (See the body dimension diagram) Inspect the fitting of the related parts around the new parts before welding. This affects the appearance of the finish.
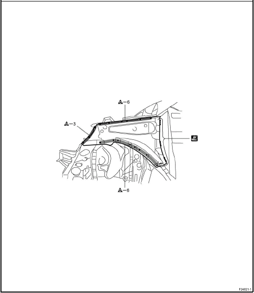
After welding, apply polyurethane foam to the corresponding parts.
After welding, apply body sealer and undercoating to the corresponding parts.
After applying the top coat, apply anti-rust agent to the internal panel portion of the closed section structural weld points.

Cowl top side panel (ASSY): Hatchback
REPLACEMENT
REMOVAL
INSTALLATION
Temporarily install the new parts and measure each part of the new parts in accordance
with the body dimension diagram. (See the body dimension diagram) Inspe ...
Cowl top side upper panel (ASSY): Hatchback
REPLACEMENT
With the cowl top side panel removed.
REMOVAL
INSTALLATION
Temporarily install the new parts and measure each part of the new parts in accordance
with the body dimension diagram. ...
See also:
Back door
The back door can be locked/unlocked and opened by the following procedures.
■ Locking and unlocking the back door
Keys (from the back door: vehicles with a back door key cylinder)
Unlocks ...
Body panel anti-rust agent (wax) application areas
HINT: 1) Apply anti-rust agent (wax) around the hinges whenever adjusting the
doors and hoods.
2) Even if partially repairing a part, apply anti-rust agent (wax) over the entire
application area ...
Checking the engine coolant level
Look at the see-through coolant reservoir when the engine is cold. The coolant
level is satisfactory if it is between the “FULL” and “LOW” lines on the reservoir.
If the level is low, add ...